English
|
繁體中文
|
日本語
搜尋
ホーム
会社情報
製品情報
お問い合わせ
サイトマップ
製品情報
ホーム
/
製品情報
/
大電力不燃性巻線固定抵抗器
/
大電力不燃性巻線固定抵抗器-DR
製品情報
セメント抵抗器
車専用巻線固定抵抗器
大電力不燃性巻線固定抵抗器
メタルクラッド抵抗
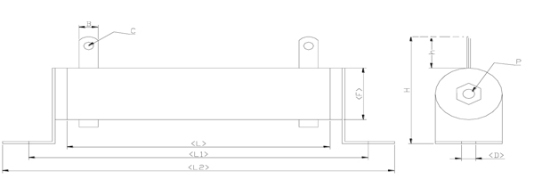
大電力不燃性巻線固定抵抗器-DR
前のページ